CM42变送器-电导率基本调试
CM42变送器+电导率基本调试
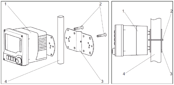
1安装
CM42共有4种安装方式,如下:
1.1水平管道安装

1.2竖直管道安装

注:水平和竖直管道安装需要额外订购安装附件。
1.3墙式安装(可选气候防护罩)

1.4盘裝

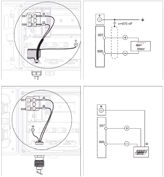
2接线
注:按照下图进行塑料外壳接地以及电缆接地。

2.1电源/信号接线
2.1.1一路电流输出和两路电流输出(可选)

注:供电电压容许范围是12.5 to 30 VDC。
2.1.2 Foundation Fieldbus和Profibus PA总线接线共有如下三种方式可选。


注:供电电压容许范围是9 to 32 V DC。
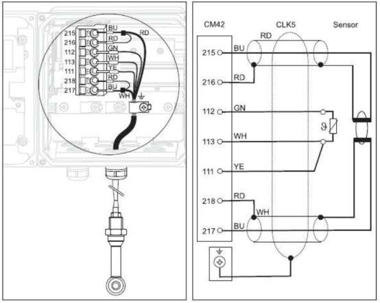
2.2传感器接线
2.2.1模拟传感器接线(电导式传感器)

1)绿、白、黄三根温度线分别连接112 , 113 , 11
号端子。
2)色测量信号线分别连接219端子(主线)和220端子(附线)。
3)传感器电缆屏蔽层需接地。
2.2.2模拟传感器接线(电感式传感器)

1)绿、白、黄三根温度线分别连接112 , 113 , 111号端子。
2)白-蓝色(线色线芯色)以及白红色测量信号线分别连接217和218端子,红-蓝色以及红红色测量信号线分别连接215和216端子。
3)传感器电缆屏蔽层需接地。
2.2.3 Memosens数字传感器接线

1)棕、白、绿、黄四根电缆线分别连接到187
188 , 197 , 198号端子。
2)传感器电缆屏蔽层需接地。
注:须保证所有的缆塞拧紧、密封。
3按键功能
按下软键:直接选择菜单

旋转浏览器:在菜单中移动光标

按下浏览器:选择功能

旋转浏览器:改变数值

按下浏览键:接受新数值

4设置
4.1量程设置
在“测量参数/电流输出”菜单下设置”起始值”和“终值”。具体菜单位置如下:

4.2变送器复位
在”诊断/维修服务/出厂默认设置”菜单下选择“出厂默认设置”, 设备进行重启,并且所有设置都复位为出厂设置。
5标定
进入"标定”菜单,选择"电极常数标定”,按照菜单提示完成标定。
主要步骤如下:
1)把传感器从介质中取出用水清洗后擦干。
2)把传感器放到校准液中开始标定,显示"运行”。
3)输入校准液的电导率值,显示“运行”。
4)标定结束后显示状态:标定是否有效。选择“存储数据以作修整”或"丢弃数据”。成功后显示新的电极常数,新的电极常数将自动覆盖原电极常数。
6常见故障代码
变送器持续进行自我监控。如果设备检测到错误,就会亮起红色报警发光二级管。可以在”诊断/错误信息”菜单中读取有关错误的信息。示例如下:

友情链接
服务范围
工业自动化产品专业代理,品质保证
技术领先,价格优势,报价迅速,产品全面
技术选型,产品报价,销售安装,工程售后,为您提供工业自动化一站式服务
自动化专业销售
Tel. 19925440503(微信同号) WhatsApp: +86 18576429229
联系工程师
扫码添加WhatsApp
