T-mass 65快速设置气体类型
T-mass 65快速设置气体类型


编程气体组分:
灵活地改变气体组分。
气体组分编程: --单- -气体单一气体的组分:从标准列表中选择,选择其他适合类型的气体,例如:臭氧,使用手动校正因子和可选叫做SPECIAL GAS (特殊气体) , 这需要工厂的评估报告。
---气体混合物(最多八种组分)
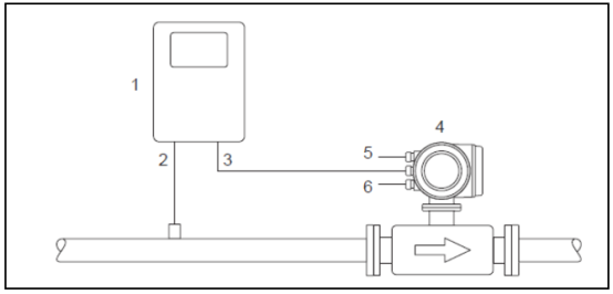
气体补偿输入: ANALYZER INPUT
流量计可以从一个气体分析仪直接读取一个4 - 20安输出信号,并且自动更新事先在编程的气体混合物的两个气体组件(例如:气体类型1和2)。这提供了在变化的组分时更为精确的测量。例如:在沼气应用中变化的甲烷和二氧化碳。

1气体分析仪
2气体检测器
3 4-- 20mA号
4 t-mass
5电源
6输出
CURRENT INPUT→ASSIGN CURRENT INPUT分配GAS ANALYZER
设置和观察激活气体组分激活测量组可以通过2个办法设置。
数字输入:状态输入可以组态在两个组之间切换,选择气体组GAS GROUP。
2025-03-11 16:25
ꄘ浏览量:20
友情链接
服务范围
工业自动化产品专业代理,品质保证
技术领先,价格优势,报价迅速,产品全面
技术选型,产品报价,销售安装,工程售后,为您提供工业自动化一站式服务
自动化专业销售
Tel. 19925440503(微信同号) WhatsApp: +86 18576429229
联系工程师
扫码添加WhatsApp
