差压变送器检测元件为什么是膜盒结构

差压变送器检测元件只能做成盒膜结构,不能用单膜片。因为膜盒组件在使用的差压范围内,具有很好的灵敏度和线性,而当差压超过使用范围时,即单向过载时,膜盒不但不坏,而且也极少有影响;由于膜盒内充有硅油,它除了传递压力之外,还有限尼作用,所以仪表输出平稳;而单膜片尽管加工方便,灵敏度高,但它不能耐单向过载,所以绝大部分差压变送器采用膜盒。
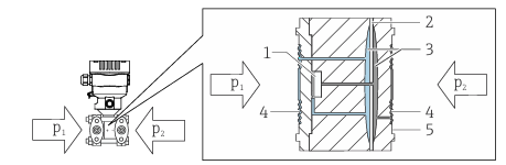
以E+H的差压变送器PMD55B为例,我们看看其测量原理

通过上面的图片可以直观的感受到,如果只有单侧膜片。差压就测量不出来了,因为差压的测量需要测量两个压力值。从差压变送器测量流量也可以看出为什么要使用膜盒结构。

2026-03-31 14:04
ꄘ浏览量:2
友情链接
服务范围
工业自动化产品专业代理,品质保证
技术领先,价格优势,报价迅速,产品全面
技术选型,产品报价,销售安装,工程售后,为您提供工业自动化一站式服务
自动化专业销售
Tel. 19925440503(微信同号) WhatsApp: +86 18576429229
联系工程师
扫码添加WhatsApp
