Promass 83接线
Promass 83接线
一、检查变送器铭牌
1、变送器名称
2、订货号
3、系列号
4、扩展订货号
5、供电电源/频率、 电源功耗(注意电源时220VAC ,还是24VDC )
6、附加功能和软件
7、有效地输入/输出
8、预留有关特殊的产品信息
9、指出操作结构/文件
10、预留证书、 认证以及在设备版本上附加信息
11、专利权
12、防护等级
13、环境温度
二、检查接线腔

1、系列号
2、可能的输入和输出
3、输入和输出信号
4、电流输出组态
5、继电器组态
6、端子分配,电源电缆
7、端子分配和输入和输出的组态(看点4和5 )
8、当前设备软件安装的版本(设备版本SW )
9、安装通讯的类型(通讯)
10、当前通讯软件的信息(驱动:设备版本和设备描述) 6到9点的更新的日期
12、当前更新指定6到11点日期
A : Active有源电流输出,不需外供电;
P : Passive无源电流输出,需要外供电。
二、分体式质量流量计的传感器和变送器之间接线

a、墙装仪表:非防爆区域和ATEX I3G6/zoe 2
b、墙装仪表: ATEX I2G / Zone 1 /FM/CSA
c、 分体式版本、法兰版本
d、连接部件和连接壳体的盖子
e、连接电缆分体式质是流星计接线端子号:4/5-- S1灰色、6/7--S2绿色8- -GND色、9/10-TM粉红色、11/12- -TT白色、 41/42- -棕色
三、变送器的接线

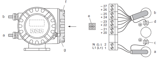
连接变送器(铝壳) ; 电缆内径:最大2.5 mm2
a、供电电缆:端子号1 : AC交流L1 , DC直流L+端子号2 : AC交流N , DC直流L-
b、信号电缆:端子号20- -27
c、保护接地端子
d、信号电缆屏蔽的接地端子
e、连接服务借口(Fieldcheck, FieldCare)的服务接
口连接接线腔的表盖内角螺丝表盖锁扣

连接变送器(不锈钢壳) ; 电缆内径:大2.5mm2
a、供电电缆:端子号1 : AC交流L1 , DC直流L+端子号2 : AC交流N , DC直流L-
b、信号电缆:端子号20- -27
c、保护接地端子
d、信号电缆屏蔽的接地端子
e、连接服务借口(Fieldcheck, FieldCare)的服务接口
f、连接接线腔的表盖

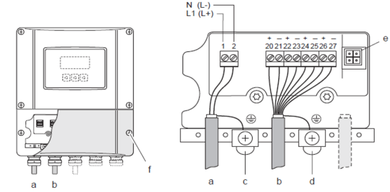
连接变送器(墙装仪表) ; 电缆内径:最2.5mm2
a、供电电缆:端子号1 : AC交流L1 , DC直流L+端子号2 : AC交流N , DC直流L-
b、信号电缆:端子号20- -27
c、保护接地端子
d、信号电缆屏蔽的接地端子
e、连接服务借口(Fieldcheck, FieldCare)的服务接
f、连接接线腔的表盖
四、端子分配

状态输入(辅助输入) :电气隔离, 3 30V DC,Ri=5kQ,可设置
状态输出:集电极开路, max. 30V DC/250mA,电气隔离,可设置
频率输出(无源有源) :集电极开路,电气隔离, 30V DC/250mA
-频率输出:满量程频率...1000Hz(fmax= 1250Hz),开/关比1:1,脉冲宽度max.2s ;--脉冲输出:脉冲值和脉冲极性可选,脉冲宽度可调( 0.5...2000ms )电流输出(有源/无源) :电气隔离,有源: 4...20mA, R <7000 , HART : R≥2500无源: 4..20mA;电源V 18 30V DC: R≤700Q
友情链接
服务范围
工业自动化产品专业代理,品质保证
技术领先,价格优势,报价迅速,产品全面
技术选型,产品报价,销售安装,工程售后,为您提供工业自动化一站式服务
自动化专业销售
Tel. 19925440503(微信同号) WhatsApp: +86 18576429229
联系工程师
扫码添加WhatsApp
